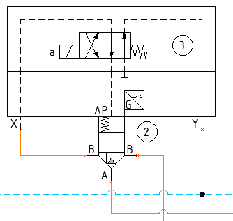
Auto insert the second B-Port to insert a slip-in cartridge symbol.

1. Insert a symbol when creating a new connection line.
A connection point automatically appears near the unconnected point of a symbol for the second B- port for the slip-in cartridge.
2. Select the connection point at the start point or end point.
3. Select another connection point or line to complete the connection line.
A connection line is created, per the start and end point.
Automatically, the second B- port name is displayed with same the extension line, per the first B-Port.
By deleting the connection line, the second B- port is automatically deleted from the symbol.
