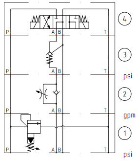
Stack symbols horizontally or vertically.

1. Click
Circuit > Stack
on
the HyDraw®
CAD ribbon menu.
The Select Symbols to Stack prompt displays.
2. Select multiple symbols to stack.
3. After selecting, press the Enter key.
The Stack direction [Up/Down/Right/Left] <Up>: prompt displays.
4. Select the direction.
The symbols are stacked accordingly.
All stacked symbols are grouped and move, rotate, flip together as a single item.
The stack is updated automatically when a symbol is deleted from the stack.

Note:
· Port ‘P’ is the default alignment guide.
· If there is no ‘P’ port, then port ‘X’ is used (For example, Slip-in cover).
· In all other cases, symbol alignment box center is used to align the symbols.